发布日期:2015-12-02
本站讯校友是学校最宝贵的财富,是学校精神文化的核心,建设“校友之家”,作为校友返校礼遇、会面、讲座、沙龙、聚会等的活动场所,经学校批准,天津大学第九教学楼404将用于“天津大学校友之家”一期的建设,服务于校友返校聚会,为校友提供活动和交流的空间,汇集展示校友文化。为了更好地为校友提供服务,满足校友的需求,天大校友总会现面向全体校友、学生征集设计方案。
一、要求如下:
1.容纳人数:30-35人。
2.满足多媒体、会议接待、茶歇等功能需求。
3.提供设计方案并给出方案平面图、设计理念文字稿。
4.方案可根据实际情况随时调整。
二、方案征集评选阶段:
2015年12月1日至2015年12月20日为设计稿投稿及评选阶段
2015年12月21日至2016年1月10日为设计稿定稿阶段
三、奖励及鸣谢方式:
设计方案将广泛征求校友的意见进行评选,优秀奖10名,校庆水晶球1个,最佳设计奖3名,校庆宣传邮册1本,最终入选方案作者将在校友之家进行介绍鸣谢,所有提供方案的校友将获得校庆纪念徽章套装一套
请将设计图电子版和设计理念文字稿发送至:tdxyh@tju.edu.cn并注明作者和联系方式
联系电话:022—27403274范老师
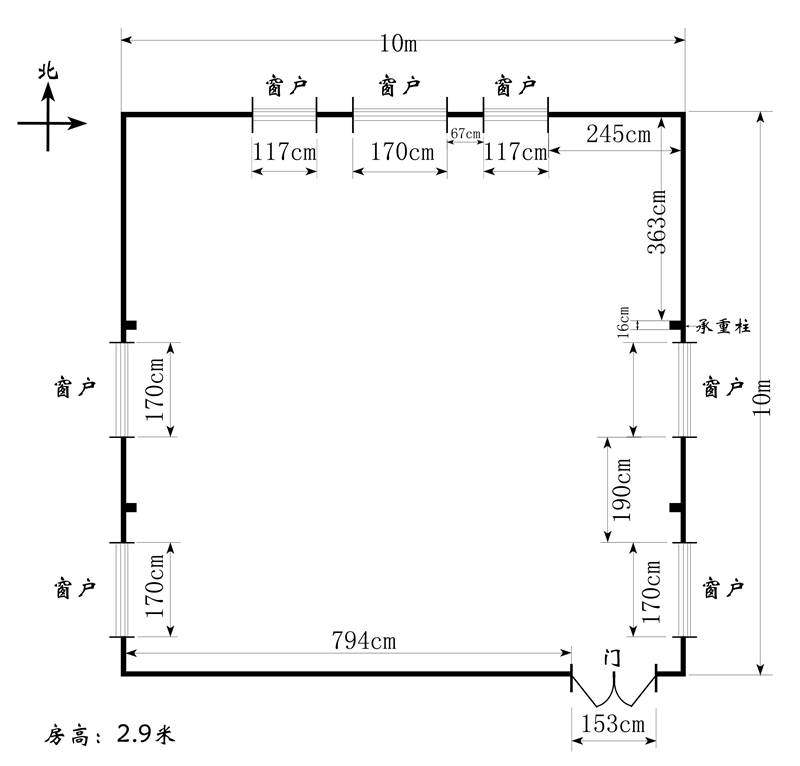
房屋平面图数据:
